Products

Jinyi Products Factory

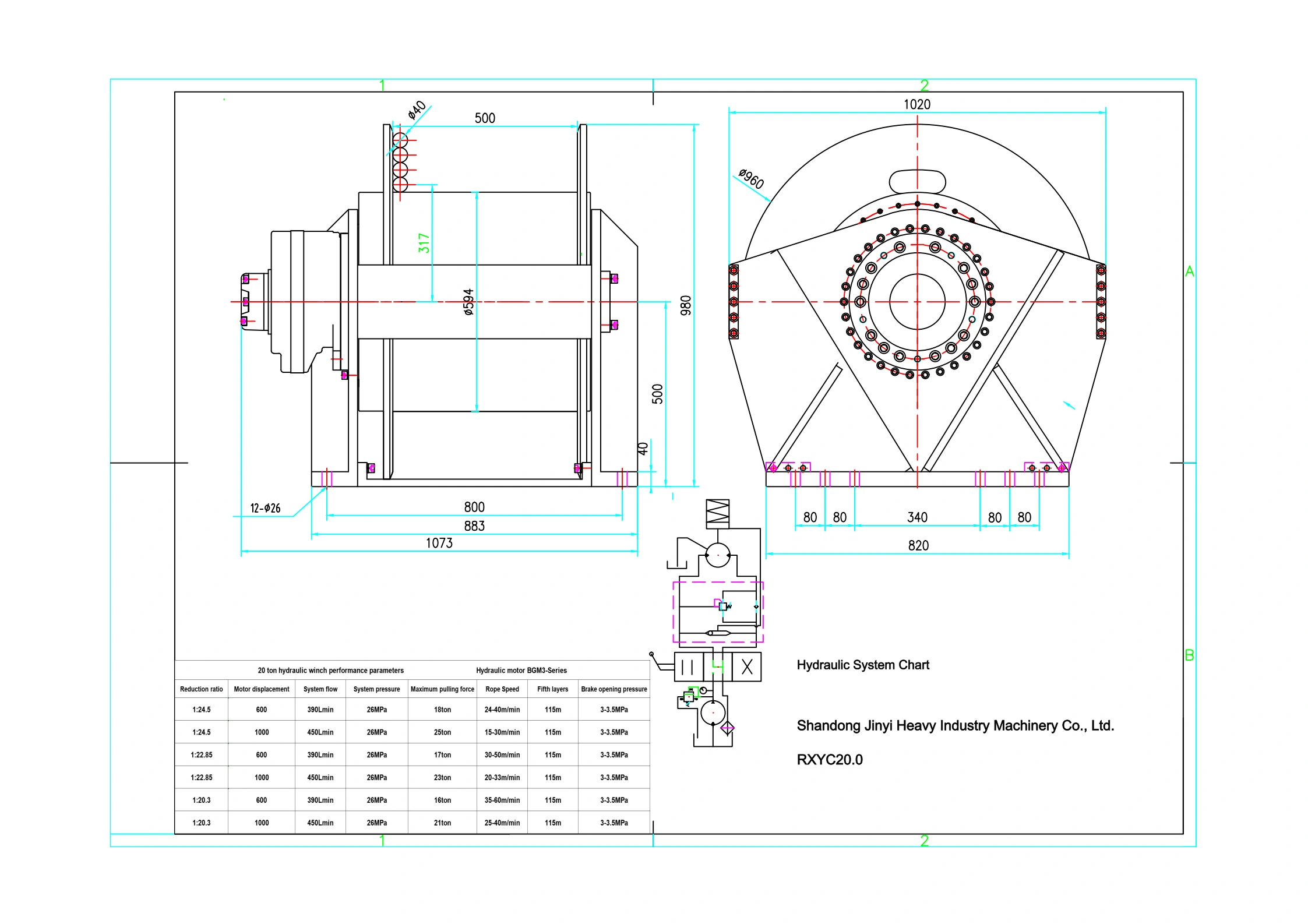
Hydraulic Winch – 20 ton

Hydraulic winches are a powerful tool used to pull large, heavy objects over long distances. They use pressurized fluid to generate immense force and torque. This force is then used to drag, lift or push objects up to several tons in weight with minimal effort. Hydraulic winches can be found in many industries including automotive, marine, construction and industrial applications.
Product Introduction

Request a Quote
All products are guaranteed for 12 months!